BM6系列马达

——

产品分类
— PRODUTC —
  • BM6系列马达小方
    1. BM6系列马达小方BM6系列马达小方BM6系列马达小方BM6系列马达小方BM6系列马达小方BM6系列马达小方BM6系列马达小方BM6系列马达小方BM6系列马达小方BM6系列马达小方BM6系列马达小方BM6系列马达小方BM6系列马达小方BM6系列马达小方BM6系列马达小方BM6系列马达小方

BM6系列马达小方

地址:山东省济宁市任城区聚源电商小镇4号楼21号 

电话/微信:135-0638-8161(张经理)
电话/微信:135-8376-7126(李经理)
电话:0537-2635166
传真:0537-2635199   2310286


er

信息详情

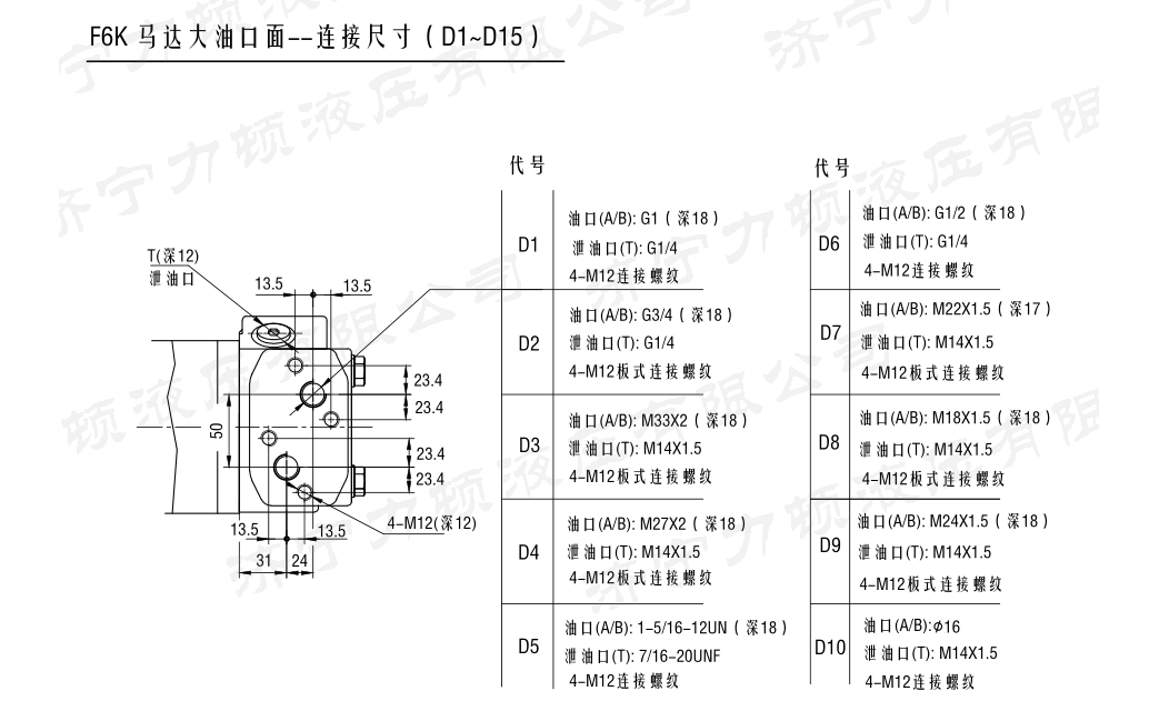
bm6系列马达2






BM6系列马达小方 2023-5-29 本文被阅读 4107次
上一条:BM6系列马达大方下一条:FRE系列车轮液压马达

同类产品